Product Summary
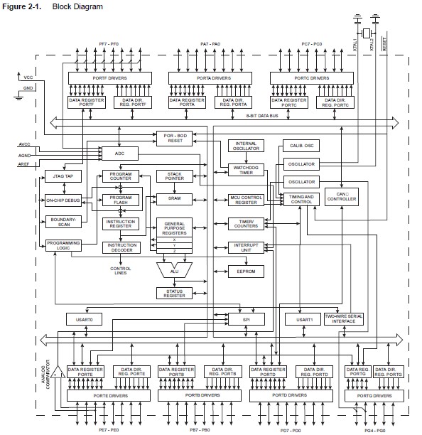
The AT90CAN32-16AU is a low-power CMOS 8-bit microcontroller based on the AVR enhanced RISC architecture. By executing powerful instructions in a single clock cycle, the AT90CAN32-16AU achieves throughputs approaching 1 MIPS per MHz allowing the system designer to optimize power consumption versus processing speed. The AT90CAN32-16AU provides the following features: 32K bytes of In-System Programmable Flash with Read-While-Write capabilities, 1K/2K bytes EEPROM, 2K/4K bytes SRAM, 53 general purpose I/O lines, 32 general purpose working registers, a CAN controller, etc. It is also used for accessing the On-chip Debug system and programming and five software selectable power saving modes.
Parametrics
Absolute maximum ratings: (1)Industrial Operating Temperature:– 40°C to +85°C; (2)Storage Temperature:– 65°C to +150°C; (3)Voltage on any Pin except RESET with respect to Ground:– 0.5V to VCC+0.5V; (4)Voltage on RESET with respect to Ground:– 0.5V to +13.0V; (5)Voltage on VCC with respect to Ground:– 0.5V to 6.0V; (6)DC Current per I/O Pin:40.0 mA; (7)DC Current VCC and GND Pins:200.0 mA.
Features
Features: (1)High-performance, Low-power AVR8-bit Microcontroller; (2)Advanced RISC Architecture; (3)Non volatile Program and Data Memories; (4)JTAG (IEEE std. 1149.1 Compliant) Interface; (5)CAN Controller 2.0A & 2.0B; (6)I/O and Packages:53 Programmable I/O Lines; 64-lead TQFP and 64-lead QFN; (7)Operating Voltages: 2.7 - 5.5V; (8)Operating temperature: Industrial (-40°C to +85°C); (9)Maximum Frequency: 8 MHz at 2.7V - Industrial range; 16 MHz at 4.5V - Industrial range.
Diagrams

| Image | Part No | Mfg | Description | ![]() |
Pricing (USD) |
Quantity | ||||||||||||
|---|---|---|---|---|---|---|---|---|---|---|---|---|---|---|---|---|---|---|
![]() |
![]() AT90CAN32-16AU |
![]() Atmel |
![]() 8-bit Microcontrollers (MCU) CAN AVR UC 32K FLASH SAMPLE |
![]() Data Sheet |
![]()
|
|
||||||||||||
![]() |
![]() AT90CAN32-16AUR |
![]() Atmel |
![]() 8-bit Microcontrollers (MCU) CAN AVR 32K Flash |
![]() Data Sheet |
![]()
|
|
||||||||||||
(China (Mainland))






